Produse
Panouri solare toate negre

Panouri solare toate negre

SFM 170- Watt mono-cristalină Panoul solar utilizează celule solare de înaltă eficiență realizate din material de siliciu de calitate pentru eficiență de conversie ridicată a modulului, stabilitatea și fiabilitatea producției pe termen lung. Practic fără întreținere. Transmitere ridicată, sticlă temperată cu fier scăzut pentru durabilitate și rezistență la impact sporită.

Descriere produs

 

SFM 170- Watt mono-cristalină Panoul solar utilizează celule solare de înaltă eficiență realizate din material de siliciu de calitate pentru eficiență de conversie ridicată a modulului, stabilitatea și fiabilitatea producției pe termen lung. Practic fără întreținere. Transmitere ridicată, sticlă temperată cu fier scăzut pentru durabilitate și rezistență la impact sporită.

Fabricat cu materiale importate și interne

Cadru negru cu foaie din spate negru

Toleranță pozitivă a puterii (0 la +3%)

Proiectare unică a cadrului, cu o rezistență mecanică puternică pentru până la 50 de kilograme. încărcarea vântului și încărcarea de zăpadă rezistentă și instalarea ușoară

Performanțe electrice remarcabile sub temperaturi ridicate și medii de lumină slabă

Diodele de bypass atenuează efectele de umbrire în șiruri de serie

 

Parametru

 

Caracteristici electrice (STC*)
Modelul nr. (SFM)

150W

155W

160W

165W

170W

175W

180W

Putere maximă la STC (PMAX)

150W

155W

160W

165W

170W

175W

180W

Tensiune maximă de putere (VMP)

18.02

18.10

18.20

18.41

18.56

18.78

19.01

Curent de putere maximă (IMP)

8.33

8.56

8.80

8.96

9.15

9.35

9.47

Tensiune de circuit deschis (COV)

21.62

21.72

21.84

22.09

22.27

22.54

22.62

Curent de scurtcircuit (ISC)

9.07

9.33

9.58

9.77

9.94

10.16

10.32

Tensiune maximă a sistemului (V)

1000V DC (IEC)

Evaluarea maximă a siguranței din serie (A)

15A

Toleranță la putere (%)

0-+3%

Noct

45 ± 2 grade

Coeficient de temperatură PMAX

-0. 46%\/ grad

Coeficientul de temperatură al COV

-0. 346%\/ grad

Coeficient de temperatură ISC

0. 065%\/ grad

Temperatura de funcționare

De la gradul -40 la +85
*STC (condiție de testare standard): iradiere 1000W\/㎡, temperatura modulului 25 grade, AM1.5
Cel mai bun din clasa AAA Solar Simulator (IEC 60904-9) este utilizat, cu incertitudinea de măsurare a puterii în ± 3%

 

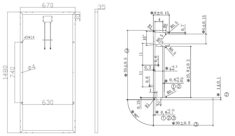
Desene de inginerie (MM)

 

1

 

Caracteristici mecanice

Celule solare

36 (4 × 9) celule solare de siliciu mono-cristalin 156 × 156mm

Sticlă frontală

3.2mm (0. 13in) Sticlă temperată cu transmisie ridicată

Încapsulează

EVA (acetat de etilen-vinil)

Cadru

Aliaj de aluminiu anodizat cu două straturi

Cutie de joncțiune

IP67 evaluat, cu diode de bypass funciabile

Cabluri

Cablu solar rezistent la UV (opțional)

Conectori

Conectori compatibili MC4 (opțional)

Dimensiuni (L × W × H)

1480 × 670 × 35mm

Greutate

12 kg

Max.load

Încărcare a vântului: 2400PA\/SHOW Sarcina: 5400Pa

 

Configurare de ambalare

Cantitate de ambalare

2pcs\/carton

Cantitate\/palet

50pcs\/palet

Capacitate de încărcare

569pcs\/20ft, 1180pcs\/40ft

 

Caracteristică

 

Sticla anti-reflecție ajută la creșterea absorbției de energie, în timp ce conexiunile de argint superioare și inferioare au fost înlocuite cu filele negre, în loc de un strat suplimentar de bandă sau tedlar negru, minimizând pierderea de eficiență față de echivalentul foii din spate alb și reducând riscul de fisuri micro-celulare datorită grosimii mai mici laminate.

Chiar și la temperaturi ridicate, celula solară poate menține o eficiență mai mare decât o celulă solară de siliciu cristalină convențională. Acest lucru este deosebit de relevant pentru modulele „toate negre”, unde absorbția căldurii este mai mare. Sufu oferă cele mai bune performanțe în clasă atunci când este generată cea mai mare parte a energiei electrice, vara. Acest lucru este deosebit de relevant în climele calde. Poate fi utilizat pentru multe aplicații diferite, chiar și magazine de lucru, garaje sau tabere ideale pentru sisteme de acoperiș rezidențiale și comerciale

Muntele la sol compatibil

Compatibil cu invertoarele pe grilă și în afara rețelei

Panouri solare negre pentru aplicații rezidențiale și comerciale, unde este esențial un panou solar plăcut și eficiență maximă.

 

Despre noi

 

Qinhuangdao Sufu Electronic Co., Ltd este un modul solar modern, soluții de sistem solar și furnizor de servicii. Produsele noastre solare variază de la module solare la sisteme solare de energie solară, lumini solare, încărcătoare multifuncționale solare, pompe solare și centrale foto-voltaice, construcții foto-voltaice atașate (BAPV), construirea proiectării și construcției integrate foto-voltaice (BIPV).

Acoperirea atelierelor de 30, 000 ㎡, prima investiție în fază este de 20 de milioane de RMB, cu capacitatea noastră de producție anuală de 20MW atât pentru panourile mono, cât și pentru cele solare poli.

Sufu a oferit lumii produse de încredere și regenerabile, care sunt certificate la nivel internațional cu TUV, CE, IEC și ISO9001, etc.

Produsul se aplică unei game largi de clienți, inclusiv Australia, India, Japonia, Coreea, America de Sud, Orientul Mijlociu, Asia de Sud -Est, Africa și alte țări.

 

Certificat

 

4

 

De ce să ne alegem?

 

1. Avem propria fabrică cu profesionist pentru panoul solar și sistemul de peste 10 ani.

2. Avem o echipă puternică de cercetare și dezvoltare.

3. Oferind un serviciu OEM pentru comanda dvs.

4. Răspundeți în 12 ore.

5. Oferind un preț competitiv, un bun serviciu post-vânzare.

 

FAQ

 

Î: De ce alegeți Sufu?

R: Pentru că suntem un producător profesionist de accesorii solare de mai bine de 11 ani. Avem furnizori bruti excelenți și o echipă de inginerie puternică.

 

Î: Care este timpul de livrare?

R: În termen de 15 zile de la ordinul confirmat prin plata în avans primită.

 

Î: Care sunt termenii dvs. de garanție?

R: Oferim timp de garanție diferit pentru diferite componente, vă rugăm să ne contactați pentru detalii.

 

Î: Ce zici de sistemul dvs. de control al calității?

R: Calitatea este prioritară. Întotdeauna acordăm o importanță deosebită controlului calității de la începutul până la sfârșitul producției. Fiecare produs va fi asamblat complet și testat atent înainte de ambalare și expediere.

 

Tag-uri populare: Panouri solare All Black, Furnizori, Producători, Fabrica, personalizate, Comerț cu ridicata, Cumpără, Preț, Cel mai bun, de vânzare

Trimite anchetă